1.部品を発注しよう
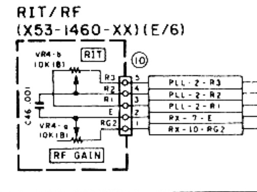
TR-751/851の取扱説明書についている回路図を見ると、当該部品のところはこうなっています。
少し見づらいので、必要な情報だけ書き出すと、
【RIT/RF】
[RF GAIN] VR4-a 10K(B)
[RIT] VR4-b 10K(B)
【SQL/AF/POWER SW】
[AF VOL.] VR5-a 10K(K)
[SQL] VR5-b 50K(B)
ここで、「VR4-a」などの記号は、回路図上での便宜上の部品番号ですので気にする必要はありません。大事なのはその後の記号です。
括弧前の3字「10K」は最大抵抗値を表し、この場合は「10kΩ」。「50K」ならば「50kΩ」を示します。括弧内の「B」「K」は、「抵抗変化特性」と呼ばれるもので、ボリュームを回したときにどのように抵抗値が変化するかを示しています。いわゆる「Bカーブ」「Kカーブ」ということです。
ボリュームのタイプですが、答えを言ってしまうと「2軸2連」という形です。「2連」というのは「1つのボリュームで2つの抵抗を操作できるもの」という意味(『1軸2連』と言ったらステレオアンプのボリュームをイメージするとわかりやすいです)になります。今回は「2軸2連」なので、「内側と外側で別々の操作をして(2軸)、おのおの1つずつ、計2つの抵抗を操作(2連)」ということです(独自解釈あり、間違ってたらごめんなさい!)。また、AF/SQLのボリュームには、電源の入・切のための「プッシュオン・プッシュオフ スイッチ」と呼ばれるスイッチがついていますので、これを念頭に置いておきましょう。
まだまだ調べないといけないことはたくさんあるのですが、それらは発注内容の表にすべて纏めて、答えとしておきます。ひとつひとつ挙げるのも大変ですので、hi。
さてさて、私の発注に当たっては、アルプス電気の「電即納」という通販サイトを利用しました。トップページの「ロータリーボリューム」→「RK097」と進みます(RK097シリーズで無いと、2軸タイプに対応していません)。
今回必要なボリュームは標準品ではないので、見積もりを取って特注する必要があります。サイトの誘導の通り、見積もりページへ移動します。
発注内容を記載しておきます(私の発注した当時のものですので、あしからず)。AF/SQL側は1つ750円くらい、RF-RIT側は600円くらいだったかと記憶しています。
| AF/SQL側 | |
|---|---|
| 抵抗素子数 | 2軸2連 |
| 操作部形状 | 内:平軸 φ3.5mm 25mm長 外:溝軸 φ6.0mm 15mm長 |
| クリック | なし |
| 全抵抗値 | 内:10k 外:50k |
| 抵抗変化特性 | ともにBカーブ (本来ならAF側は「Kカーブ」とすべきですが、対応していないそうです) |
| 数 量 | 5(最小ロットです) |
| その他 | 内軸にプッシュオン-プッシュオフスイッチ |
| RIT/RF側 | |
| 抵抗素子数 | 2軸2連 |
| 操作部形状 | 内:平軸 φ3.5mm 25mm長 外:溝軸 φ6.0mm 15mm長 |
| クリック | なし |
| 全抵抗値 | 内:10k 外:10k |
| 抵抗変化特性 | ともにBカーブ |
| 数 量 | 5(最小ロットです) |
| その他 | (空欄) |
部品が届いたらいよいよ修理です!
2.解体修理しよう
いよいよ分解です。分解手順を一応説明していきます。外した部品はわからなくならないよう、整理して保管しておきましょう。またもちろんですが、電源は切り、電源線も外しておきます。
まずはフロントパネルを外していきます。手始めに、左下の2つのボリュームのつまみを引っこ抜きます。解体初心者の方はびっくりするかもしれませんが、案外このような簡単構造になっているものは多いです。
つまみを外すときの鉄則があります。「つまみを外す前に、ボリュームを左(or右)へ回し切れ」。後でつまみを付けるときに、間違いがなくなります。
次はメインダイヤルです。ラバー部分を引っこ抜きます。すると、いかにも六角レンチで回せそうな穴が出てきますので、中のイモネジをゆるめ、つまみを外します。
メインダイヤルの軸を抑えているナットとワッシャーを外します。これで準備完了。フロントパネル側面の4本のねじを外せば、パネルが外れます。
これを外したら、上面、下面のフタを外します(スピーカー線に注意!ナイロンコネクタで基板とつながっているので、コネクタを外します)。そして、側面前方のねじを写真のようにします(取説にも記載があります)。上のねじを取り、下のねじを緩めて、前面が倒れるようにします。
それでは、ボリュームの乗っている基板を外します。メイン基板から伸びるコードを外します。前面でボリュームを固定しているナット、ワッシャーを外せば、下の写真のように基板ごと回収できます。外したナット、ワッシャーは他の部品のものと区別できるように置いておきましょう。
基板をひっくり返して、半田付けされているボリュームのピンを、吸い取り線などを使って丁寧に外します。半田が古いので、予備半田をしてやるとうまく外れます(まるで呼び水のようなので『呼び半田』と最初変換していましたが、検索しても引っかからないのを見ると一般的じゃ無いみたいですね、hihi)。
AF/SQLの基板の方は、電源スイッチのところにチップコンデンサがあるので、壊さないように注意。それと、ナイロンコネクタをうっかり溶かさないように注意。
さて、ここで今回の修理の唯一にして最大の難関があります。実はこのままでは、ピンの場所が合わないのです。なんてこった!!
仕方が無いので、足を延長してやります。何を思ったのか、私はここに、そこら辺に転がっていたリッツ線を使うという愚行をしたのですが、普通は単線(スズメッキ線とか)を使います。足をショートしないように折りたたみながら、基板に延長した足を半田付けすればOKです!
(基板自体を作り直してもいいと思います(寸法が難しいですが)が、その際、上記回路図のように、電源スイッチのところにコンデンサをかませてください。実際の基板ではチップになっています)
めでたく部品が付いたら、元の通り組み上げます。上にも書きましたが、どうしても内軸のつまみが180度逆になってしまうので、つまみの線を描き直すことをお薦めします。
電源を付けてみて、ちゃんと動くか確認しましょう。「あれ?音が出ないぞ?」という人へ。自分の付けたボリュームを再確認しに行く前に、フタを閉めたとき、スピーカー線の接続をしましたか?
ちゃんと動いたら修理は終わりです。お疲れ様でした!
おまけ
実はこのお話、ボリュームを発注することをブログ記事で掲載したところ、お問い合わせが相次いだために執筆したものです。人気機種とだけあって、お持ちの方も多いのではないでしょうか。そして、ボリュームのせいで押し入れに眠らせてしまっている方も・・・。このサイズでこれほど入手しやすい無線機は、初心者にもぴったりだと思います。是非挑戦してみて下さいね!
おまけのおまけ
その後、YQBでしばらく活躍した851ですが、何やら電源部分の内部でショートがあったらしく、再びお蔵入りになったとかならなかったとか。






